|
|
|
把花市豬放大,看得出來嗎?
(這篇文章已經被閱讀了 4439 次) 時間:2003/04/18 05:43pm 來源:kuck
心血來潮,公司的SEM就公器私用一下囉! 大家看看參考一下!
| kela |
發表於: 2003/04/18 05:44pm
|
下面引用由kuck在 2003/04/18 05:43pm 發表的內容: 心血來潮,公司的SEM就公器私用一下囉! 大家看看參考一下!
|
|
看不出來!! |
頂部 |
| kuck |
發表於: 2003/04/18 05:45pm
此主題相關圖片如下:


按此查看圖片詳細資料
|
| 瓶子上半部的50倍放大圖! |
頂部 |
| kuck |
發表於: 2003/04/18 05:46pm
此主題相關圖片如下:


按此查看圖片詳細資料
|
瓶子下半部370倍的放大圖! (上一封更正,是下半部才對) |
頂部 |
| kuck |
發表於: 2003/04/18 05:47pm
此主題相關圖片如下:


按此查看圖片詳細資料
|
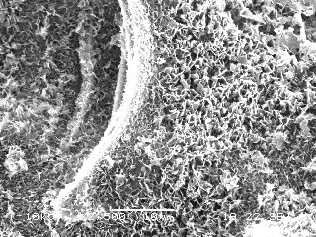
| 瓶子下半部2500倍的放大圖! |
頂部 |
| kuck |
發表於: 2003/04/18 05:48pm
此主題相關圖片如下:


按此查看圖片詳細資料
|
| 中間部份 ×50 |
頂部 |
| kuck |
發表於: 2003/04/18 05:49pm
此主題相關圖片如下:


按此查看圖片詳細資料
|
| 中間部份 ×550 |
頂部 |
| kuck |
發表於: 2003/04/18 05:50pm
此主題相關圖片如下:


按此查看圖片詳細資料
|
| 中間部份 ×2500 |
頂部 |
| kuck |
發表於: 2003/04/18 05:51pm
此主題相關圖片如下:


按此查看圖片詳細資料
|
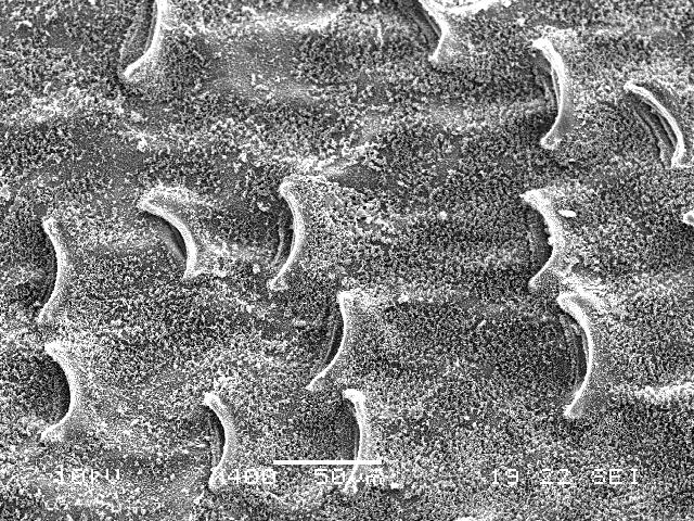
| 上半部 ×50 |
頂部 |
| kuck |
發表於: 2003/04/18 05:52pm
此主題相關圖片如下:


按此查看圖片詳細資料
|
| 上半部 ×400 |
頂部 |
| kuck |
發表於: 2003/04/18 05:52pm
此主題相關圖片如下:


按此查看圖片詳細資料
|
| 上半部 ×2500 |
頂部 |
| 丫土伯 |
發表於: 2003/04/18 07:06pm
|
| 恩.......只可遠觀而不可褻玩焉......... |
頂部 |
| hounght |
發表於: 2003/04/18 08:28pm
|
KUCK哥哥∼∼您真是將呆伯特法則運用到極致∼∼
下半部似乎有許多腺點,是泌腺還是吸收??
應當嘉獎一次!! |
頂部 |
| hbh |
發表於: 2003/04/19 01:43am
|
這種設備要搞一台回家玩玩.......是不可能的!!
真是羨慕您有這樣的設備可以玩........ |
頂部 |
| csyin |
發表於: 2003/04/19 06:26pm
|
下面引用由hbh在 2003/04/19 01:43am 發表的內容: 這種設備要搞一台回家玩玩.......是不可能的!! 真是羨慕您有這樣的設備可以玩........
|
|
別這麼說! 那個SEM不貴! 陽春的SEM一台一百多萬台幣而已... 你說一百萬很貴? 拜託! 如果一百萬拿不出來, 那就不用買房子了..
|
頂部 |
| hbh |
發表於: 2003/04/19 08:57pm
|
| 一百萬的SEM不能拿來住,是吧:) |
頂部 |
| kuck |
發表於: 2003/04/19 09:59pm
|
這台SEM聽說不是很陽春, 加一加應該還不會超過千萬吧!
不過對我這窮人來說,就算是一百萬,也算是粉貴啦...... |
頂部 |
| 鱈魚香絲 |
發表於: 2003/04/21 05:08pm
|
不會吧?!
打SEM不是要先鍍上一層金薄膜?
啊把豬仔拿去鍍金喔?
真是........有你的! |
頂部 |
| aero2000 |
發表於: 2003/04/21 10:35pm
|
下面引用由鱈魚香絲在 2003/04/21 05:08pm 發表的內容: 不會吧?! 打SEM不是要先鍍上一層金薄膜? 啊把豬仔拿去鍍金喔? 真是........有你的!
|
|
對啊 很好奇豬仔要如何鍍金ㄝ
|
頂部 |
| kuck |
發表於: 2003/04/23 07:33pm
|
下面引用由鱈魚香絲在 2003/04/21 05:08pm 發表的內容: 不會吧?! 打SEM不是要先鍍上一層金薄膜? 啊把豬仔拿去鍍金喔? 真是........有你的!
|
|
沒錯呀!由於豬仔不導電, 所以必需先鍍金(濺鍍), 這豬籠子雖被宰了,但死後可以披上金紗, 也算是它前輩子修來的! |
頂部 |
| 可米 |
發表於: 2003/12/13 08:47pm
|
| 挖哩勒... |
頂部 |
|
|